La douche Rife intégrée au sauna: maj 27/5/24
Le panneau de leds Rife
mobile est intéressant mais un peu trop gênant pour les yeux avec les
faibles fréquences quand il est placé devant l'utilisateur.
Ce problème est résolu en l'intégrant directement au plafond du sauna,
ce qui crée une ambiance (rouge ici) globale peu gênante.
Les panneaux ont été rajoutés de chaque coté du panneau central de
chromato existant.
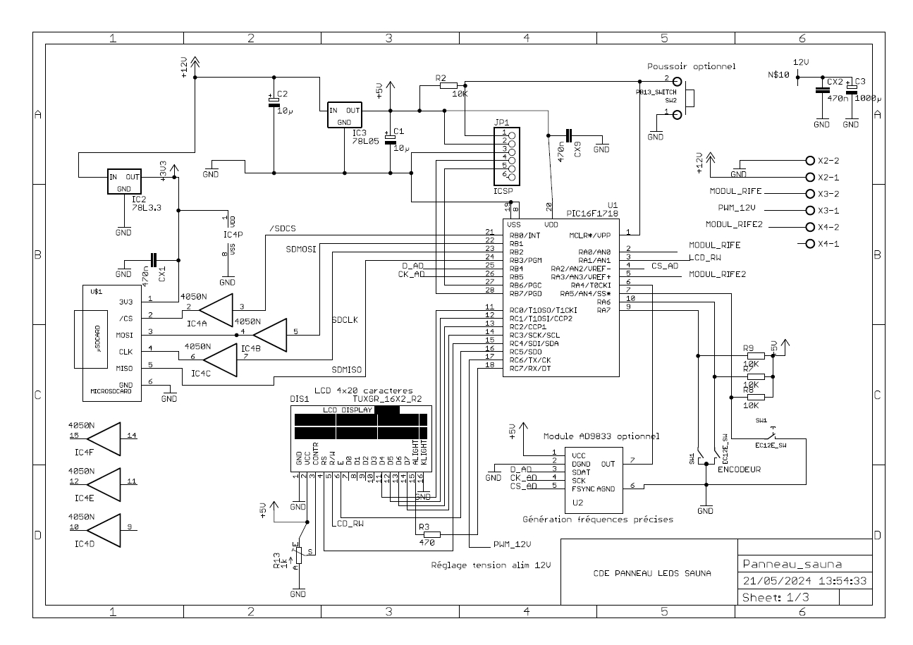
Le schéma:
Le bloc de commande est séparé de chaque panneau de 3 plaques de leds
120x36mm (12W sous 12V trouvée chez AliE) et intégré sous la commande du
sauna.
https://fr.aliexpress.com/item/4000897377123.html

La carte µSDCARD est accessible depuis la face avant pour remplacer les
programmes.
Le panneau LCD 4x20 caractères: https://fr.aliexpress.com/item/1005004726086089.html
Un seul encodeur a été intégré, l'appui long simulant le
poussoir optionnel du schéma. Le schéma a étét câblé avec des fils sur une plaque proto.

Chaque panneau de leds est équipé d'un mosfet et d'une capacité de
filtrage (1000µF) comme la douche Rife mobile..
Le tout est alimenté par une alim 12V /15A intégrée dans le plafond du
sauna. Une alim réglable pouvant monter à 14V serait intéressante pour
compenser les pertes dans les fils et dans le mosfet (si la luminosité n'est pas suffisante).
La découpe de la face avant a été faite à la CNC dans une plaque alu de 2mm: découpe.dxf
Le calage à 0.1" des trous et fente correspondent au LCD, µSDCARD et encodeur (pas de bouton poussoir).
Une autre découpe en ayant décalé la SDCARD et l'encodeur au pas de 0.1" et inséré un trou au milieu pour un bouton poussoir: poussoir.dxf
Des supports de carte et bouton pour l'encodeur ont été imprimés 3D et
sont à la bonne hauteur pour plaquer le LCD collé sur la face avant en
alu.
supports_sauna.stl bouton_sauna.stl

en pdf
Une sortie PWM_12V permettrait de réduire la tension d'alim mais
en pratique n'a pas été câblée car la luminosité est suffisante et pas trop forte (chute de
tension dans les fils et le mosfet).
Une deuxième sortie commande MODUL_RIFE2 est possible et gérable par la
directive SIGNAL=1 ou 2 voire 3 (les deux), mais uniquement pour les fichiers de programme
.TXT.
Le mosfet doit avoir une faible capacité d'entrée sinon le signal de
commande sera amorti poru les hauttes fréquences Rife(max 1MHz).
Le logiciel:
Le logiciel de la douche Rife a été modifié pour s'adapter au panneau
LCD 4x20 caractères.
Le PIC16F1718 est plein à 98%: le fichier .HEX de programmation du
PIC16F1718: panneau_sauna.hex
Son manuel d'utilisation est identique à celui de la douche Rife: douche_rife.pdf avec
quelques ajouts:
- pour les fichiers "spooky" .TXT la directive SIGNAL=1 ou 2 ou 3
permet de sortir le signal de pilotage des mosfets sur une des
deux sorties, ce qui permettrait d'avoir une ambiance destinée à la
relaxation , en utilisant d'autres leds de couleur bleue.
Les fréquences Rife:
Si le mode manuel permet de piloter les leds avec une fréquence
réglable, il est plus simple d'utiliser des listes de fréquences Rife
(.DAT) déjà validées ou des programmes issus du logiciel Spooky ou
édités from scratch (.TXT).
On trouve des fichiers de fréquences Rife sur internet avec des formats
pdf divers.
J'ai utilisé en pratique un fichier dispo chez ETDFL, en anglais, que
j'ai traduit en français et trié par ordre alphabétique, et un autre
bilingue venant de spooky2.fr.
Pour permettre une navigation plus facile dans les listes, le logiciel
utilise un fichier binaire .DAT constitué de blocs de 256octets,
produit par un programme de conversion sur pc voire un programme
spécifique (voir manuel pour la structure du bloc). Chaque bloc peut
contenir une suite de 32 fréquences au maximum codée en 1/16Hertz.
Ces fichiers doivent être copiés sur la racine de la sdcard, formatée
en FAT32 et avoir des noms en majuscules limités à 8 caractères +
extension (MSDOS).
Plusieurs fichiers sont disponibles, le menu configuration permet de
choisir le fichier .DAT ou .TXT à utiliser:
RIFEE.DAT: fichier complet anglais contenant toutes les fréquences
ETDFL 2023 (plus de 3500 affections !!!)
RIFEF.DAT: le même en français trié par ordre alphabétique
SPOOKE.DAT: fichier complet en anglais venant de spooky
SPOOKF.DAT: le même en français
RIFCAFE.DAT: un extrait du fichier spooky contenant seulement les
sources CAFL
RIFCAFF.DAT: le même noms en français
RIFETDE.DAT: extrait du fichier spooky des sources ETDFL (les
fréquences pour des mêmes affections sont différentes ce qui est
curieux ???)
RIFETDF.DAT: en français
RIFXTRE.DAT: extrait des sources XTRA en anglais
RIFXTRF.DAT: en français
Un zip contenant tous ces fichiers: RIFES.ZIP
25/5/24:
Un fichier .dat simplifié en français qui ne contient que 200 affectations courantes: SIMPLEF.DAT
Cela permet d'utiliser la commande SEL sans avoir besoin de changer de fichier par la commande CONF.
Applications:
Il est possible d'utiliser ce schéma pour
remplacer la lampe CLucia, car il suffit de faire un fichier programme
avec les mêmes fréquences de stimulation du cerveau, en utilisant des
leds blanches moins puissantes.
Les fichiers suivants sont une traduction des fréquences cLUCIA au format texte de programme Spooky.
La durée de chaque fréquence est arrondie à la seconde.
Ces fichiers sont exploitables dans la douche Rife et dans µSpooky.
DELTA.TXT: /DELTA_60M
Relaxation, Lacher-prise Meditation
durée 62 minutes 308
steps de fréquences
THETA.TXT: /THETA_40M Relaxation, Visions Meditation profonde durée 41 minutes 187 steps de fréquences
GAMMA.TXT: /GAMMA_60M
Paix,Accuite
Felicite
durée 62 minutes 291 steps de fréquences
SCHUMANN.TXT: /SCHUMANN_47M Moderation, Relaxation Accuite durée 48 minutes 114 steps de fréquences
Il est possible d'utiliser la sortie MODUL_RIFE2 (rajouter SIGNAL=2 avant la ligne TIMER=nn dans ce cas)
pour moduler une led spécifique de couleur et puissance appropriées.