La fontaine électromagnétique
8/1/25: ajout d'un deuxième relais d'isolation de l'électrode
La fontaine
magnétique précédente est passive et fonctionne seulement avec des
aimants.
Afin d'avoir un appareil mixte automatique qui permet de tester
l'effet conjoint de la structuration de l'eau par des impulsions
électriques (méthode Pagot) et par un vortex magnétique, les deux
principes ont été inclus dans le même appareil.
Pour avoir un vortex similaire à la fontaine magnétique (les poles
Nord se font face, ce qui produit un champ différent de celui
produit par un agitateur magnétique), le champ magnétique tournant est
produit par 10 bobines (les mêmes que celles du Magcube).
Ces bobines sont activées deux par deux, leur face Nord se faisant face.
Les impulsions électriques sont produites par le schéma Pagot Alidyn activé par un
relais.

Le tout est géré par logiciel sur un µP PIC16F1718, avec un affichage
oled. Ceci permet:
- de choisir la vitesse de rotation du champ magnétique (durée
d'activation en ms de chacun des 5 couples de bobines)
- de choisir le sens de rotation du champ
- de régler la durée d'activation en mn des impulsions électriques et
du champ magnétique, en pouvant choisr l'un ou l'autre ou des deux
simultanés ou enchaînés pour tester l'effet sur l'eau.
Une mise à jour pourrait aussi choisir d'utiliser une seule bobine à la
fois voire rajouter une sortie pour un buzzer signalant la fin.
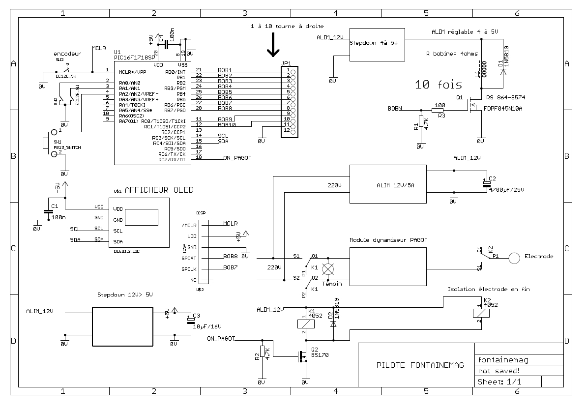
Le schéma:

Le pole positif de la sortie du schéma Pagot (Alidyn) est relié à la
borne de Terre. L'électrode produit des impulsions négatives de -500V.
Un deuxième relais permet d'isoler l'électrode de la Terre, ce qui
évite de vider les électrons à la Terre en fin de traitement.
Les premiers essais ont en effet montré que le goût de l'eau était
différent par rapport à Alidyn où je prenais garde de retirer
l'électrode avant de couper l'alimentation.
La carte de commande étant simple, le µP et ses annexes ont été montés
sur une plaquette pastillée.
Une alimentation secteur 12V est intégrée, un stepdown réglable 3A
permet d'ajuster le courant passant dans le couple de bobines, chaque
bobine faisant 4 ohms environ. Chaque bobine est montée dans un support
imprimé 3D, collé en cercle sur le dessus de la boîte afin de s'adapter
au diamètre de la carafe utilisée. La plaque support des 10 mosfets est
un CI fraisé CNC (dxf) , monté sous la face supérieure du boitier, sa masse
servant de masse pour l'électrode électrique (positif) comme pour Alidyn.



Le logiciel utilise un afficheur oled piloté I2C, permettant d'afficher
le mode de fonctionnement.
Le sélecteur en appui long (> 1sec) active le menu de configuration,
et permet le réglage de la vitesse de rotation du champ (100ms
par couple = 2 secondes par tour), le sens de rotation, la
durée de fonctionnement (minutes) et le choix de divers modes:
- électrique seul
- magnétique seul
- électrique /magnétique simultanés
- électrique enchaîné avec magnétique
- activation d'une modulation des bobines par un signal de fréquence
réglable
Le poussoir active le système par un appui long. l'activité s'arrête
par un appui court ou au bout du temps configuré.

Le programme HEX
pour le PIC16F1718.
Le résultat final en activité:
